| Sign In | Join Free | My benadorassociates.com |
|
Place of Origin : Guangdong,China
Brand Name : LINK-PP
Certification : UL,RoHS,Reach,ISO
Model Number : HB6601NL
MOQ : 400/2000/10K/25K
Price : $0.06-$3.2
Packaging Details : T&R
Delivery Time : Stock
Payment Terms : TT,NET30/60/90 Days
Supply Ability : 3KK/Month
Number of Ports : Dual
Part Number : HB6601NL
Data Rate : 1000BASE-T
Standards : Meets IEEE802.3ab
Operating Temperature (Commercial Grade) : 0-70°C
RoHS Status : Fully ROHS Compliant
Isolation Voltage : 1500Vrms
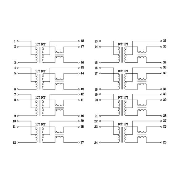
Turns Ratio : 1CT:1CT
The HB5605NL LAN Magnetic Transformer is an essential component for ensuring reliable and efficient data transmission in your network setup. Designed specifically for use with 1000base-T Ethernet connections, this transformer provides seamless connectivity and exceptional performance.
With a data rate of 1Gigabit, the HB5605NL LAN Transformer is capable of handling high-speed data transfers with ease, making it ideal for demanding networking applications. Whether you are transferring large files, streaming high-definition media, or engaging in online gaming, this transformer ensures a smooth and uninterrupted data flow.
One of the standout features of the HB5605NL LAN Magnetic Transformer is its support for 30W PoE power. This means that it can deliver power over Ethernet cables, eliminating the need for separate power sources for connected devices. This feature simplifies installation and reduces clutter, making it an ideal choice for setups where convenience and efficiency are paramount.
In addition to its impressive performance capabilities, the HB5605NL LAN Transformer is also designed with safety and environmental considerations in mind. It does not contain any harmful substances, ensuring that it is safe for both your equipment and the surrounding environment. This commitment to safety and sustainability sets this transformer apart as a responsible and reliable choice for your networking needs.
Whether you are setting up a new network or upgrading an existing one, the HB5605NL LAN Magnetic Transformer offers the perfect combination of performance, convenience, and safety. Its compatibility with 1000base-T Ethernet connections ensures seamless integration with a wide range of devices, while its support for 30W PoE power simplifies installation and reduces complexity.
Trust the HB5605NL LAN Transformer to deliver high-speed data transmission, efficient power delivery, and peace of mind knowing that your equipment and environment are protected. Upgrade your network setup with this reliable and versatile transformer and experience the benefits of seamless connectivity and superior performance.
| Parameter | Value |
|---|---|
| Part Number | HB6601NL |
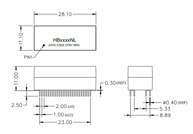
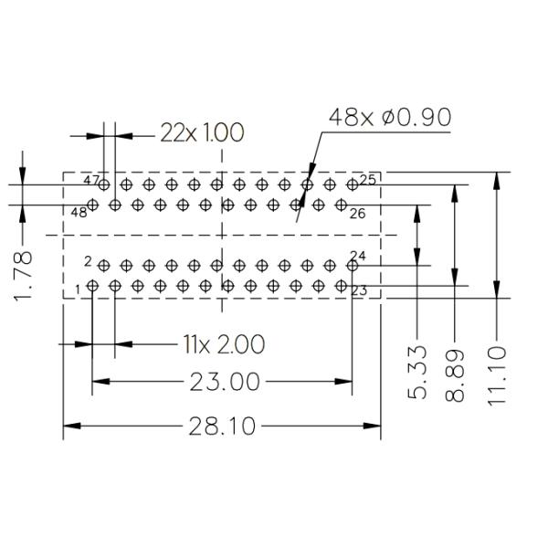
| Description | LAN discrete transformer, dual-port, 48-pin THT |
| Data Rate | 1000BASE-T, Gigabit Ethernet |
| Number of Channels / Ports | Dual |
| Isolation Voltage | 1500 VAC |
| Turns Ratio | 1CT:1CT |
| Mounting Style | Through-Hole (THT) |
| Operating Temperature | 0°C to +70°C |
| RoHS Compliance | Yes |
| Inductance | 350 µH |
| Dimensions (L × W × H) | 28.10 × 11.10 × 11.00 mm |
| Insertion Loss | -1.1dB Max @0.3-100 MHz |
| Return Loss | -16dB Min @2-30 MHz -(16-20log10(f/30)) dB Min @30-60 MHz -10dB Min @60-80 MHz |
| PoE Current Per Pair | 350mA |
| PoE Rating | 30W 4 pair PoE |



|
|
HB6601NL 4Pair PoE Ethernet Transformer Fully ROHS Compliant Images |