| Sign In | Join Free | My benadorassociates.com |
|
Brand Name : LINK-PP
Model Number : LPJxxxxxxx
Certification : UL,ROHS,Reach,ISO
Place of Origin : GuangDong, China
MOQ : 50/500/1000
Price : OEM Price
Payment Terms : TT,NET30/60/90 Days
Supply Ability : 3000000/Month
Delivery Time : Stock
Packaging Details : Tray Package: 50 pcs in 1 tray,24tray in 1 carton, which is 32*30*31 , 8.5 KGS (1200pcs) of each carton
Original : JKM-0200NL
Equivalent : LPJxxxxxxx
Ethernet Aplly : 100 Base-T
Samples : Free Available
File : PDF/3D/ISG/Stp/Step/Datasheet/Touchstone Format/S-parameters
Lifecycle : More than 20Years
| The JKM-0200NL supports speed 100 Base-T, It is compliant to IEEE 802.3 af, UL, Reach, RoHs, ISO19001,ISO14001 standards.It can be used to support application, such as Switches, Ethernet Control, Hub and Entrance Guard System. | |
| LINK-PP Part Number | LPJXxxxxxx |
| Pulse Part Number | JKM-0200NL |
| Part Status | Active |
| Speed | 100 BASE-T |
| Connector Type | Jack |
| Number of Positions/Contacts | 10p8c (RJ45, Ethernet) |
| LED Option | GREEN/YELLOW |
| Latch | Tab DOWN |
| Number of Ports | 1X1 PORT |
| PCB Mount Angle | SIDE ENTRY |
| Shield EMI Tabs | WITH |
| POE RATING | POE 36W |
| Temperature | 0 TO 70℃ |
| CONTACT MATING AREA PLATING | GOLD 50 U'' |
| PACKAGE HEIGHT MM | 13.84 |
| PACKAGE LENGTH MM | 21.59 |
| PACKAGE WIDTH MM | 16.26 |

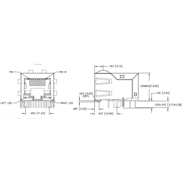
JKM-0200NL 100 Base-T RJ45 connector Mechanical Specification:

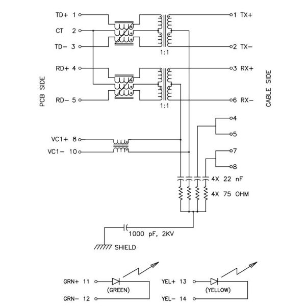
JKM-0200NL 1x1 Port Magnetic RJ45 Jack Electrical Schematic:

JKM-0200NL RJ45 Magjack Description:
|
|
JKM-0200NL 100 Base-T POE 36W Rj45 Female Connector Tab DOWN 1x1 Port With G/Y Led Images |