| Sign In | Join Free | My benadorassociates.com |
|
Brand Name : LINK-PP
Model Number : LPJxxxxxx
Certification : UL,ROHS,Reach,ISO
Place of Origin : GuangDong, China
MOQ : 50/500/1000
Price : OEM Price
Payment Terms : TT,NET30/60/90 Days
Supply Ability : 3000000/Month
Delivery Time : Stock
Packaging Details : Tray Package: 50 pcs in 1 tray,24tray in 1 carton, which is 32*30*31 , 8.5 KGS (1200pcs) of each carton
Original : JXT7-1140NL
Equivalent : LPJxxxxxx
Operating Temperature : -40°C ~ 85°C
Samples : Free Available
File : PDF/3D/ISG/Stp/Step/Datasheet/Touchstone Format/S-parameters
Lifecycle : More than 20Years
| LINK-PP Part Number | LPJxxxxxx |
| Part Number | JXT7-1140NL |
| Part Status | Active |
| Connector Type | Jack |
| Number of Positions/Contacts | 12p8c (RJ45, Ethernet) |
| SPEED | 10GBASE-T |
| POE RATING | 4PAIR PoE 100W |
| LED Option | YELLOW-GREEN/YELLOW-GREEN |
| Number of Ports | 1X1 Port |
| PCB Mount Angle | SIDE ENTRY |
| Shield EMI Tabs | WITH |
| Operating Temperature | -40°C ~85°C |
| CONTACT MATING AREA PLATING | Gold 50 U" |
| PACKAGE HEIGHT MM | 13.33 |
| PACKAGE LENGTH MM | 34.29 |
| PACKAGE WIDTH MM | 16.51 |

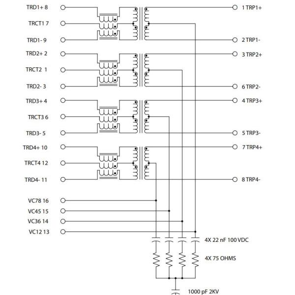
JXT7-1140NL 1X1 Port RJ45 Connector Electrical Schematic:


JXT7-1140NL RJ45 Jack Similar Part Number :
| JXT7-1140NL | JXD2 9015NLT | JXD2-9001NLT |
| JXD0-0012NL | JT4-1109HL | JT4-1120HL |
|
|
JXT7-1140NL 10GBASE-T 4PAIR PoE 100W 1X1 Port RJ45 Magnetic Connector With Led Images |