| Sign In | Join Free | My benadorassociates.com |
|
Brand Name : LINK-PP
Model Number : LPJxxxxxx
Certification : UL,ROHS,Reach,ISO
Place of Origin : GuangDong, China
MOQ : 50/500/1000
Price : OEM Price
Payment Terms : TT,NET30/60/90 Days
Supply Ability : 3000000/Month
Delivery Time : Stock
Packaging Details : Tray Package: 50 pcs in 1 tray,24tray in 1 carton, which is 32*30*31 , 8.5 KGS (1200pcs) of each carton
Original : JXD2-0Z11NL
Equivalent : LPJxxxxxx
Operating Temperature : -40°C ~ 85°C
Samples : Free Available
File : PDF/3D/ISG/Stp/Step/Datasheet/Touchstone Format/S-parameters
Lifecycle : More than 20Years
| LINK-PP Part Number | LPJxxxxxx |
| Part Number | JXD2-0Z11NL |
| Part Status | Active |
| Connector Type | Jack |
| Number of Positions/Contacts | 8p8c (RJ45, Ethernet) |
| SPEED | 100 BASE-T |
| POE RATING | NON-POE |
| LED Option | Without Led |
| Number of Ports | 1X1 Port |
| PCB Mount Angle | SIDE ENTRY |
| Shield EMI Tabs | WITH |
| Operating Temperature | -40°C ~85°C |
| CONTACT MATING AREA PLATING | Gold 30 U" |
| PACKAGE HEIGHT MM | 16.95 |
| PACKAGE LENGTH MM | 16.90 |
| PACKAGE WIDTH MM | 16.10 |

JXD2-0Z11NL VERTICAL RJ45 MagJack Description:
Industrial Fast Ethernet and Gigabit (10/100/1000Base-T) single port RJ45 vertical/ top entry integrated magnetics connector,
designed to support applications, such as embedded automation and drive control, wall and panel mount HMI and outdoor networks.
.RoHS peak wave solder temperature rating 260°C
.Top entry, small footprint to minimize board space
.Meets IEEE 802.3 specification
.350μH minimum OCL with 8mA bias current
.High performance for maximum EMI suppression
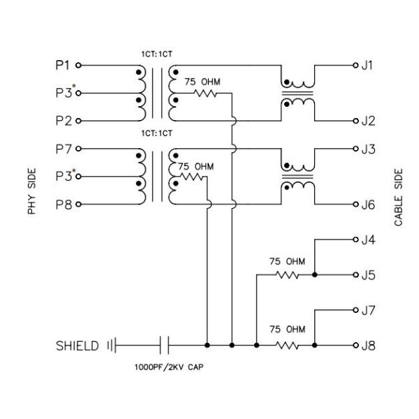
JXD2-0Z11NL VERTICAL RJ45 Connector Electrical Schematic:


| JXD2-0Z10NL | JXD2-0Z11NL | JXD2 0Z14NL |
| JXD2-0Z15NL | JXD2-0Z25NL | JXD2-9001NL |
JXD2-0Z11NL Single Port Vertical Rj45 Connctor Package:
Package:Tray N.W/pcs:0.008kg
SPQ:50pcs Qty/carton:1000pcs
Carton size:32*30*31cm G.W./carton:8kg

|
|
JXD2-0Z11NL Without LED 100BASE-T VERTICAL RJ45 Jack TOP ENTRY 8P8C Images |