| Sign In | Join Free | My benadorassociates.com |
|
Brand Name : LINK-PP
Model Number : SI-50199-F
Certification : UL,ROHS,Reach,ISO
Place of Origin : China
MOQ : 50/500/1000
Price : Supportive
Payment Terms : TT,NET30/60/90 Days
Supply Ability : 4600K.PCS/Month
Delivery Time : Stock
Packaging Details : 50pcs/tray,1200pcs/carton
part Number : SI-50199-F
Made In China : SM-LPJ1014AGNL
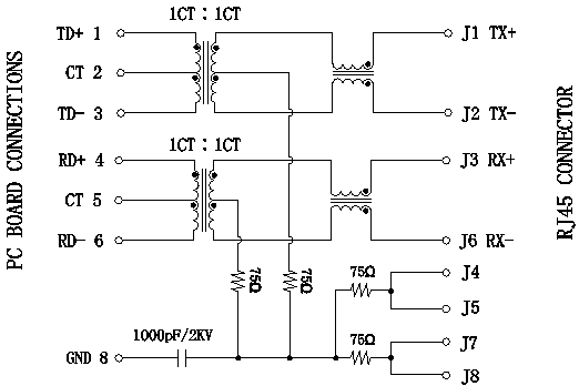
Apllication : 10/100BT
Family : Rj45 Transformer
Shield : Shield With EMI
Hipot : 1500V
TEST NOTES(25±5℃)
1.TR:(100KHz,100mV);
TX=1CT∶1CT ±3% RX=1CT∶1CT
2.LX:(100KHz,100mV,8mA,DC Bias)
PINS:(P1,P3),(P4,P6)=350uH MIN
3.HIPOT:
PINS(P1,P2,P3)TO (J1,J2)=1500Vrms
PINS(P4,P5,P6)TO (J3,J6)=1500Vrms
4.INSERTION LOSS:
-1.0dB MAX @ 1.0MHz TO 65MHz
5.RETURN LOSS:
-20dB MIN @ 1MHz TO 10MHz
-16dB MIN @ 10MHz TO 30MHz
-12dB MIN @ 30MHz TO 60MHz
-10dB MIN @ 60MHz TO 100MHz
6.CROSS TALK:
-40dB MIN @ 1MHz TO 30MHz
-35dB MIN @ 30MHz TO 60MHz
-30dB MIN @ 60MHz TO 100MHz
7.COMMON TO COMMON MODE REJECTION:
-30dB MIN @1MHz TO 50MHz
-20dB MIN @50MHz TO 150MHz
8.Operating Temperature: 0℃~70℃.
|
|
SI-50199-F Fast Connectors Rj45 Stewart Tab-Up 10 / 100M With LEDs IP-PBX Images |