| Sign In | Join Free | My benadorassociates.com |
|
Brand Name : LINK-PP
Model Number : XRJH-01D-1-HA1-180
Certification : UL,ROHS,Reach,ISO
Place of Origin : China
MOQ : 50/500/1000
Price : Supportive
Payment Terms : TT,NET30/60/90 Days
Supply Ability : 4600K.PCS/Month
Delivery Time : Stock
Packaging Details : 50pcs/tray,1200pcs/carton
PN : XRJH-01D-1-HA1-180
Made In China : SM-LPJG17329BGNL
Application : 1000Base-T
Ethernet : Gigabit lan 10/100/1000
LEDs : Flexible
Hipot : 1500V
| XRJH-01D-1-HA1-180 | ||||||||||||||||||||||||||||||||
| Trader Part Number | XRJH-01D-1-HA1-180 |
| ||||||||||||||||||||||||||||||
|---|---|---|---|---|---|---|---|---|---|---|---|---|---|---|---|---|---|---|---|---|---|---|---|---|---|---|---|---|---|---|---|---|
| Made in China | SM-LPJG17329BGNL | |||||||||||||||||||||||||||||||
| Manufacturer | LINK-PP China | |||||||||||||||||||||||||||||||
| Description | Rj-45 With Magnetics | |||||||||||||||||||||||||||||||
| Documents Available | PDF/3D/Step/IGS/Price/Cross | |||||||||||||||||||||||||||||||
| Quantity Available | 2,000 PCS or 4 weeks | |||||||||||||||||||||||||||||||
XRJH-01D-1-HA1-180 Electrical Specifications @25℃
1.Turns Ratio(±3%):
1CT:1CT
2.Return Loss:
1-30MHz:-16dB Min
40MHz:-13.5dB Min
60-100MHz:-10dB Min
3.Crosstalk:
1-100MHz:-30dB Min
4.Insertion Loss:
1-100MHz: -1.2dB Max
5.Common Mode Rejection:
1-100MHz:-30dB Min
6.Inductance:
350uH MIN @100KHz,0.1V,8mA DC Bias
7.Hi-Pot : 1500VAC/0.5mA
8.Operating Temperature: 0℃~70℃.

|
|
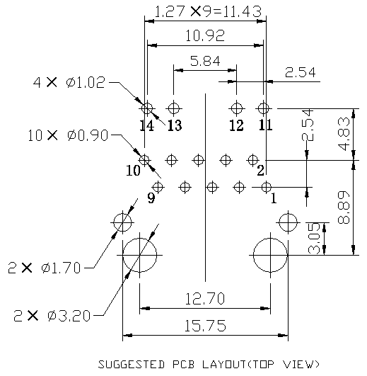
Magnetic RJ45 Jack XRJH-01D-1-HA1-180 Shieded 8p10c Gigabit Port Images |