| Sign In | Join Free | My benadorassociates.com |
|
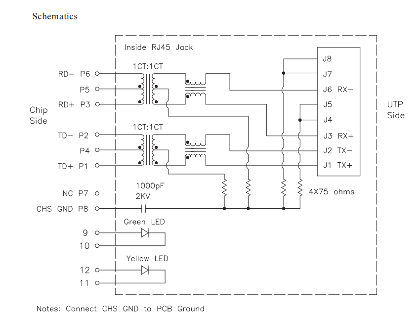
Brand Name : LINK-PP
Model Number : HR911105A
Certification : UL,ROHS,Reach,ISO
Place of Origin : China
MOQ : 50/500/1000
Price : Negotiable & Discounted
Payment Terms : TT,NET30/60/90 Days
Supply Ability : 4600K.PCS/Month
Delivery Time : 3-5 days
Packaging Details : 50pcs/tray,1200pcs/carton
Part Number : HR911105A
Number of Ports : 1
Package : Through Hole
Operating Temperature : 0℃~+70℃
PoE : 10/100 Mbps
Speed : Wireless Interface Port
Isolation Voltage : 1500Vrms (min)
OCL : 350µH min @100 kHz, 8 mA
| Parameter | Typical Specification | Condition |
|---|---|---|
| Turns Ratio (1CT:1CT) | Signal Transformer | – |
| OCL (Open Circuit Inductance) | ≥ 350 µH | @ 100 kHz, 100 mV, 8 mA |
| Isolation Voltage | 1500 Vrms | Primary to Secondary |
| Insertion Loss | ≤ –1.0 dB | 0.3–100 MHz |
| Return Loss | ≥ 20 dB (1–10 MHz) ≥ 16 dB (10–30 MHz) ≥ 12 dB (30–60 MHz) ≥ 10 dB (60–80 MHz) | IEEE 802.3 compliant |
| Crosstalk (NEXT) | ≥ 40 dB (1–30 MHz) ≥ 35 dB (30–60 MHz) ≥ 30 dB (60–100 MHz) | – |
| Common Mode Rejection | ≥ 30 dB (1–50 MHz) ≥ 20 dB (50–150 MHz) | – |
| Operating Temperature | 0 °C to +70 °C | – |

|
|
HANRUN HR911105A Through Hole RJ45 Connector With Magnetics and LEDs Images |