| Sign In | Join Free | My benadorassociates.com |
|
Brand Name : LINK-PP
Model Number : LPJ0011BBNL
Certification : UL,ROHS,Reach,ISO
Place of Origin : China
MOQ : 5pcs Free Samples
Price : Negotiable
Payment Terms : TT,NET30/60/90 Days
Supply Ability : 4600K.PCS/Month
Delivery Time : Stock
Packaging Details : 50pcs/tray,1200pcs/carton
P.N : LPJ0011BBNL
Speed : 100BASE-TX
Mounting Type : THT
LEDs : With
Shielding : Yes
Original Project : BeagleBone Black Board
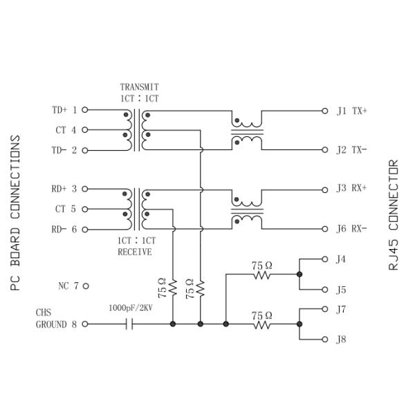
| Connector Type | RJ45 Connector with 10/100 Base-T Integrated Magnetics |
|---|---|
| Electrical Specifications @25℃ | |
| Turn Ratio (TX) | 1CT:1CT |
| Turn Ratio (RX) | 1CT:1CT |
| Inductance OCL | 350uH Min @100KHz, 0.1V, 8mA DC BIAS |
| Insertion Loss | -1.0dB MAX @1.0-100MHz |
| Return Loss | -18dB MIN @ 1-30WHz -15dB MIN @ 30-60MHz -12dB MIN @ 60-80MHz -10dB MIN @ 80-100MHz |
| Crosstalk | -40dB MIN @ 30MHz -35dB MIN @ 60MHz -30dB MIN @ 100MHz |
| Common Mode Rejection | -40dB MIN @ 30MHz -35dB MIN @ 60MHz -30dB MIN @ 100MHz |
| Hipot Test | 1500Vrms |
| Operating Temperature Range | 0℃ TO 70℃ |
| Size | |
| Connector Length | 21.25mm |
| Connector Width | 15.9mm |
| Connector Height | 13.3mm |
| Parameters | |
| Number of Ports | 1x1 |
| Tab Direction | Down |
| Data Rate | 100BASE-TX |
| Mounting | THT |
| EMI Tabs | Without |
| LEDs Color | Green (Left) and Yellow (Right) |
| PoE Function | NONE |
| Termination Style | Solder |
| Entry | SIDE ENTRY |
| LED Indicator Colors | Green (Left) and Yellow (Right) |
| Packaging | Tray |
| Contact Plating | Gold 6 micro-inches min. In contact area. |
| Connector Materials | |
| Housing | Thermoplastic PBT+30%G.F UL94V-0 |
| Contact | Phosphor Bronze C5210R-EH Thickness=0.35mm |
| Pins | Brass C2680R-H Thickness=0.35mm |
| Shield | SUS 201-1/2H Thickness=0.2mm |
| Contact plating | Gold 6 micro-inches min. In contact area. |
In 2012, Texas Instruments launched the hugely popular open-source BeagleBone Black development board to enable affordable access to hardware prototyping. Featuring a low-cost Linux computer, it quickly gained a strong community of makers and developers.
To provide wired Ethernet connectivity, TI chose to integrate a Texas Instruments Ethernet PHY module. However, a reliable and high-quality RJ45 jack was still needed to seamlessly connect to local networks.
That's where the preferred supplier LINK-PP came in. As an expert in network connectivity components for over 20 years, LINK-PP worked closely with TI to identify the ideal connector solution.
Their LPJ0011BBNL met all requirements with its integrated 1x1 Fast Ethernet design supporting 10/100Mbps data rates. Key features like green/yellow LED status indicators and industry-standard pinout ensured a user-friendly interface.


Related Part
| LPJ0006ABNL | LPJ0025GENL | LPJ0012GENL | LPJ0025DNL |
| LPJ0006BBNL | LPJ0025HHNL | LPJ0012NDNL | LPJ0025FBNL |
| LPJ0006CNL | LPJ0026A73NL | LPJ0013ABNL | LPJ0025G4NL |
| LPJ0006NNL | LPJ0026A7NL | LPJ0013AHNL | LPJ0025GANL |
| LPJ0007DNL | LPJ0026ABNL | LPJ0013BBNL | LPJ0025GBNL |
| LPJ0009GDNL | LPJ0026BBNL | LPJ0013BHNL | LPJ0025GCNL |
| LPJ0011AANL | LPJ0026BCNL | LPJ0013CNL | LPJ0087GENL |
| LPJ0011ABNL | LPJ0026CNL | LPJ0013DNL | LPJ0025CNL |
| LPJ0011ACNL | LPJ0026DNL | LPJ0013FBNL | LPJ0049CNL |
| LPJ0011BBNL | LPJ0026G7NL | LPJ0013GENL | LPJ0012GDNL |
| LPJ0011CNL | LPJ0026GANL | LPJ0014A55NL | LPJ0049GDNL |
| LPJ0011DNL | LPJ0026GDNL | LPJ0014BBNL | LPJ0050ABNL |
| LPJ0011EBNL | LPJ0026GENL | LPJ0014CNL | LPJ0050BBNL |
| LPJ0011FBNL | LPJ0026HDNL | LPJ0014DNL | LPJ0050CNL |
| LPJ0011G4NL | LPJ0034BBNL | LPJ0017CNL | LPJ0050DNL |
| LPJ0011GBNL | LPJ0034CNL | LPJ0017FENL | LPJ0055CNL |
| LPJ0011GDNL | LPJ0034DNL | LPJ0017GENL | LPJ0055FBNL |
| LPJ0011GENL | LPJ0037FBNL | LPJ0022BANL | LPJ0064GENL |
| LPJ0011GFNL | LPJ0040DNL | LPJ0022BBNL | LPJ0070CNL |
| LPJ0011HBNL | LPJ0044CNL | LPJ0022DNL | LPJ0070HDNL |
| LPJ0011HENL | LPJ0047NNL | LPJ0022FBNL | LPJ0073BBNL |
| LPJ0012A73NL | LPJ0049A76NL | LPJ0025AANL | LPJ0075AHNL |
| LPJ0012CNL | LPJ0049AENL | LPJ0025ABNL | LPJ0084GANL |
| LPJ0012G7NL | LPJ0049AZNL | LPJ0025AGNL | LPJ0085AHNL |
|
|
LPJ0011BBNL Single Port Female RJ45 MagJack For BeagleBone Black Images |